facebook no-scripts

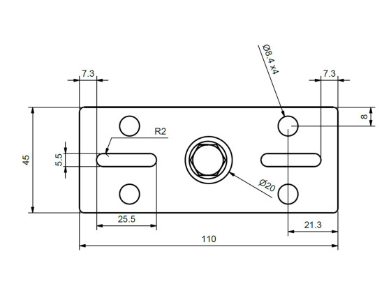
Brakett markeringslampe 110x45 mm f/innvendig rørdimensjon Ø37 - 20241404

Beslag markeringslampe 110x45 mm f/rør 20241404

Flere visninger

Art. nr.: 2001335 Salgsenhet:Stk Lagerstatus: På lager

Mer Info

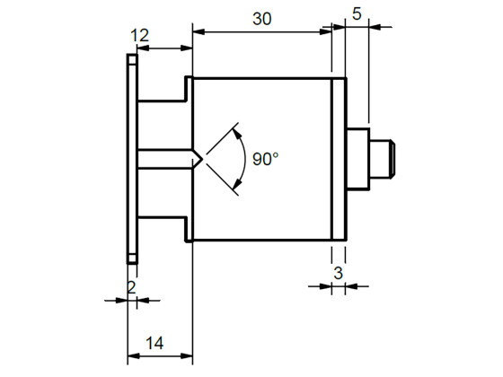
Passer innvendig rørdimensjon Ø37 +-1
Braketten er galvanisert.
Strammes til gummien ekspanderer i røret.
Hullbilde kompatibelt med: Gylle markeringslampe f.eks. 498034 og 498035, markeringslampe 430223, 430214, 498686, 430956 mfl.

Specification

Net Weight:0.1600 Line Disc:143
bevola 18-03-2026 00:08:40
Produkt Antall Pris
Total price excl. tax NOK 0,00