facebook no-scripts

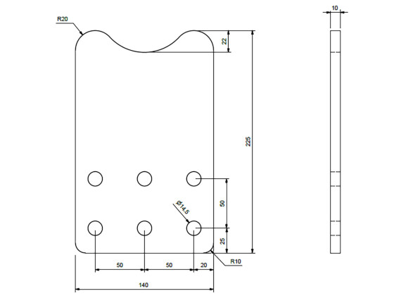
Konsollplate 6 huls - cc=50 mm til Scania R fra 02.05

Konsolplade 6 huls  - cc=50 mm til Scania R fra 02.05

Flere visninger

Art. nr.: 517110 Salgsenhet:Stk Lagerstatus: På lager

Mer Info

Platefeste
6-hull
140x225x10mm
Cc=50x50mm

Specification

Net Weight:2.2800 Line Disc:152
bevola 18-03-2026 05:16:27
Produkt Antall Pris
Total price excl. tax NOK 0,00