facebook no-scripts

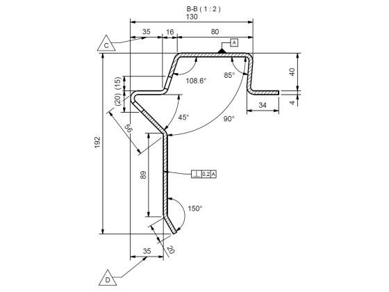
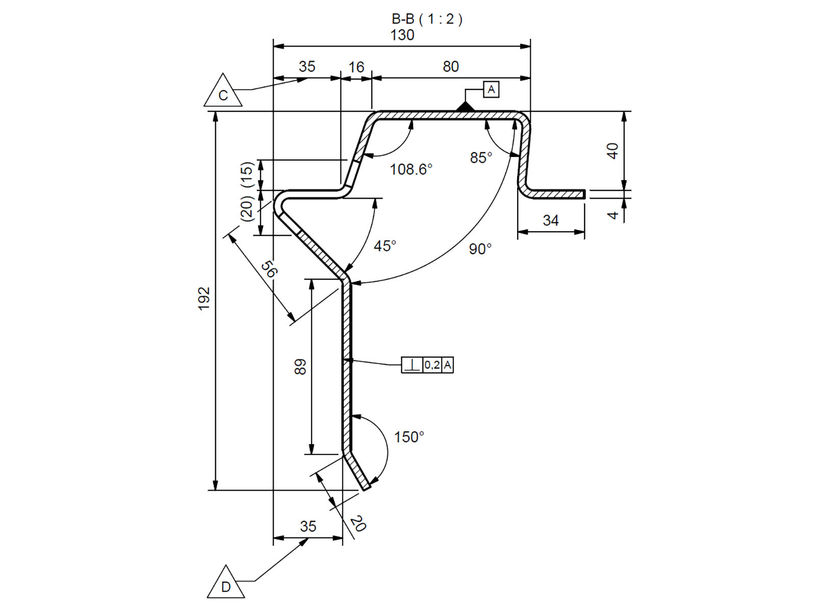
Kantprofil m/nese 2996mm lengde, 40mm m/surringshull - 1009-20170010

Kantprofil m/nese 2996mm lengde, 40mm m/surringshull - 1009-20170010

Flere visninger

Art. nr.: 762044 Salgsenhet:Stk Lagerstatus: På lager

Mer Info

Kantprofil m/nese
2996mm lengde
40mm m/surringshull

Specification

Net Weight:35.1300 Line Disc:176
bevola 18-03-2026 02:38:26
Produkt Antall Pris
Total price excl. tax NOK 0,00