facebook no-scripts

Toppdel for tippkule 3 veis Ø100mm type 1 (rett) - 030931.00

Toppdel for tippkule 3 veis Ø100mm type 1 (rett) - 030931.00

Flere visninger

Art. nr.: 810332 Salgsenhet:Stk Lagerstatus: På lager

Mer Info

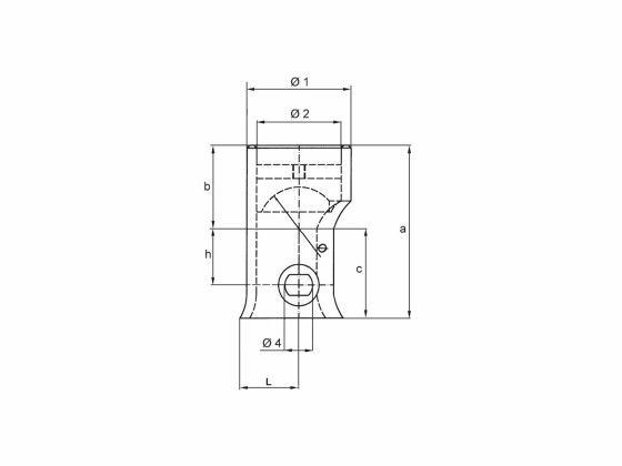
Toppdel
For tippkule
3-veis
ø100mm
For rett låsebolt 810336

Specification

Net Weight:6.2000 Line Disc:138
bevola 18-03-2026 04:51:18
Produkt Antall Pris
Total price excl. tax NOK 0,00